ГидраПак Холдинг · Каталог продукции · Гидравлические станции · Гидростанции для мобильных машин · Каталог
| |||||||||||||||||||
Гидростанции для мобильных машинГидравлические станции собирают в компактный агрегат из стандартных компонентов: электродвигателей различной мощности, насосов высокого давления с различными рабочими объёмами, фильтров на всасывающей гидролинии, предохранительных и обратных клапанов, распределителей с электромагнитным или с ручным управлением, резервуара для масла, приспособленного для к крепления к основному манифолду.
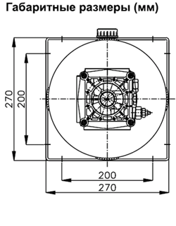
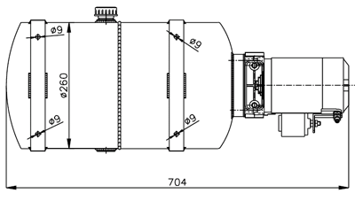
-по желанию заказчика изготавливаются гидравлические станции, предназначенные для работы в условиях повышенной концентрации пыли, врывоопасной агрессивной среды. Гидравлическая станция Модель 834
|
|



Рассылка новостей
